Udvikler: Nguyen Cong Quyet (4)
Pris: * Gratis
Rangeringer: 0 
Anmeldelser: 0 Skriv en anmeldelse
Lister: 0 + 0
Point: 0 + 4 (2.3) ¡
App Store

Beskrivelse

MOTODATA
1. OVERVIEW:
Used to lookup repair data for motorcycles and scooters that include the old-generation motorcycles using carburetor and the new generation motorcycles using PGM-FI system of PIAGGIO, HONDA, YAMAHA, SUZUKI, SYM, KYMCO brands.

2. FUNCTION:
- Directly read fault codes on HONDA, YAMAHA motorcycles
- Support automatic calculation function for motorcycle electronics repairmen
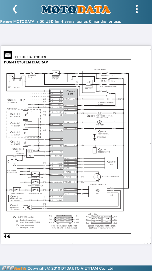
- Lookup electrical wiring diagrams of systems
- Lookup IC solder pin diagram for odometer correction by MOTOBOX
- Lookup smart key diagram to read Key ID for HONDA, YAMAHA motorcycles
- Support repair procedure for HONDA, YAMAHA, SUZUKI Smart key system
- Lookup power pin diagram and signal pin of ECMs for PIAGGIO programming key
- Lookup ACU, SCU, ECM connector pin outs
- Lookup immobilizer diagram for PIAGGIO/ VESPA motorcycles
- Lookup oil indicator reset procedure
- Lookup the compression ratio of the engine combustion chamber
- Lookup cylinder pressure of engine
- Lookup current leakage and charging current
- Lookup ignition timing advance
- Look up wiring color code
- Lookup acronym of electrical system
- Lookup fault codes and troubleshooting for engine system, ABS system and immobilizer system
- Lookup fault location on motorcycle and electrical system diagram
- Lookup fault location by fault code on electrical diagram
- Lookup mechanical and electrical specifications
- Lookup location of components and signal pins: sensor, ECU, actuator vv...
- Lookup measurement procedure and checking, determine preliminary damage
- Guide mechanical removal/installation
- Maintenance process, online question and answer
- Support guide book and updating/upgrading process of MOTOSCAN
- Online support technical by technicians of DTDAuto
- Free and automatically updated the newest version
mere ↓

Skærmbilleder

#1. MOTODATA (iOS) Ved: Nguyen Cong Quyet
#2. MOTODATA (iOS) Ved: Nguyen Cong Quyet
#3. MOTODATA (iOS) Ved: Nguyen Cong Quyet
#4. MOTODATA (iOS) Ved: Nguyen Cong Quyet
#5. MOTODATA (iOS) Ved: Nguyen Cong Quyet
#6. MOTODATA (iOS) Ved: Nguyen Cong Quyet
#7. MOTODATA (iOS) Ved: Nguyen Cong Quyet
#8. MOTODATA (iOS) Ved: Nguyen Cong Quyet
#9. MOTODATA (iOS) Ved: Nguyen Cong Quyet
#10. MOTODATA (iOS) Ved: Nguyen Cong Quyet

Nyheder

  • Version: 9.5.0
  • Opdateret:
  • WHAT IS NEW IN MOTODATA 9.5?

    ● Added welding point guide diagram to calibrate ODO for HONDA, YAMAHA:
    + HONDA: SCOOPY 2022-2024, HONDA SCOOPY 2025
    + YAMAHA: NMAX NEO 2025
    ● Added Smartkey programming for HONDA SCOOPY 2025
    ● Added fault location on the motorcycle and electrical system diagram for YAMAHA GRANDE 2023-2024
    ● Added ECU connector pin lookup for YAMAHA GRANDE 2023-2024
    ● Add electrical wiring diagrams for HONDA, VINFAST:
    + HONDA: VARIO 125/150 (2015-2017)
    + VINFAST: MOTIO, EVO LITE NEO, EVO NEO, KLARA NEO, KLARA S 2019, VENTO NEO
    ● Added repair data for YAMAHA GRANDE 2023-2024

Pris

Overvåg priser

Udvikler

Point

0 ☹️

Rangeringer

0 ☹️

Lister

0 ☹️

Anmeldelser

Vær den første til at gennemgå 🌟

Yderligere oplysninger

Kontaktpersoner

MOTODATAMOTODATA Kort webadresse: Kopieret!
  • 🌟 Del
  • App Store

Du vil måske også kunne lide

    • Audible: Audiobooks & Podcasts
    • iOS Apps: Bøger  Ved: Audible, Inc.
    • Gratis  
    • Lister: 3 + 3  Rangeringer: 5 (1)  Anmeldelser: 0
    • Point: 8 + 5,365,433 (4.9)  Version: 4.56.2   Discover storytelling that speaks to you with Audible. Audiobooks, podcasts and Audible Originals await in an all-in-one audio entertainment app. Storytelling and entertainment for all
        ⥯ 
    • Libby, the library app
    • iOS Apps: Bøger  Ved: OverDrive, Inc.
    • Gratis  
    • Lister: 2 + 2  Rangeringer: 0  Anmeldelser: 0
    • Point: 0 + 3,936,589 (4.9)  Version: 8.3.1   All over the world, local libraries offer millions of ebooks and audiobooks. You can borrow them for free, instantly with a library card and Libby: the award-winning, much-loved app ...
        ⥯ 
    • Hoopla Digital
    • iOS Apps: Bøger  Ved: Midwest Tape, LLC
    • Gratis  
    • Lister: 1 + 2  Rangeringer: 0  Anmeldelser: 0
    • Point: 1 + 1,301,931 (4.8)  Version: 4.64.2   Discover limitless entertainment and knowledge with Hoopla Digital. Access more than 1.5 million audiobooks, eBooks, comics, graphic novels, manga, music, movies, TV, and more with ...
        ⥯ 
    • Wattpad - Read & Write Stories
    • iOS Apps: Bøger  Ved: Wattpad Corp
    • Gratis  
    • Lister: 3 + 1  Rangeringer: 5 (1)  Anmeldelser: 0
    • Point: 4 + 705,126 (4.7)  Version: 11.18.0   Wattpad. Where stories live. Discover the world's most-loved social storytelling platform. Wattpad connects a global community of millions of readers and writers through the power of ...
        ⥯ 
    • Goodreads: Book Reviews
    • iOS Apps: Bøger  Ved: Goodreads
    • Gratis  
    • Lister: 2 + 1  Rangeringer: 5 (1)  Anmeldelser: 0
    • Point: 1 + 677,645 (4.8)  Version: 4.30.0   Discover stories that matter to you, from readers like you. Goodreads is the world's largest community of readers. Find new and interesting books by browsing personalized ...
        ⥯ 
    • Shonen Jump Manga & Comics
    • iOS Apps: Bøger  Ved: VIZ Media, LLC
    • Gratis  
    • Lister: 0 + 0  Rangeringer: 0  Anmeldelser: 0
    • Point: 0 + 242,156 (4.9)  Version: 5.6.8   Your OFFICIAL source to read the world s most popular manga, straight from Japan. ALL YOUR FAVORITE SERIES IN ONE PLACE! My Hero Academia, Jujutsu Kaisen, One Piece, Chainsaw Man, ...
        ⥯ 
    • CloudLibrary
    • iOS Apps: Bøger  Ved: OCLC
    • Gratis  
    • Lister: 1 + 0  Rangeringer: 0  Anmeldelser: 0
    • Point: 0 + 226,620 (4.8)  Version: 5.12.2   A must-have app for library users! Easily borrow physical items using your mobile device, receive reminders, manage receipts and discover new digital content all within the ...
        ⥯ 
    • Golden Quran | المصحف الذهبي
    • iOS Apps: Bøger  Ved: OMAR SHARIF
    • Gratis  
    • Lister: 0 + 0  Rangeringer: 0  Anmeldelser: 5 (1)
    • Point: 2 + 169,910 (4.7)  Version: 16.1   المصحف الذهبي: هو أحدث تطبيقات القرآن الكريم كاملا (مصحف إلكتروني) التي تم تطويرها لخدمة المستخدم بالاستفادة من التقنيات الحديثة المتوفرة، وهو تطبيق متخصص بعرض وتحميل سور القرآن الكريم
        ⥯ 
    • Dreame - Read Best Romance
    • iOS Apps: Bøger  Ved: STARY PTE. LTD.
    • Gratis  
    • Lister: 1 + 1  Rangeringer: 0  Anmeldelser: 0
    • Point: 0 + 167,760 (4.4)  Version: 5.18.0   "WHY 100+ MILLION READERS CHOOSE DREAME? Dive into Sizzling Romance Novels with Dreame! 500,000+ Addictive Novels From Romance to Fantasy, Mystery to Young Adult Fiction, Adventure to ...
        ⥯ 
    • La Biblia Reina Valera Español
    • iOS Apps: Bøger  Ved: Oleg Shukalovich
    • Gratis  
    • Lister: 0 + 0  Rangeringer: 0  Anmeldelser: 0
    • Point: 0 + 160,242 (4.9)  Version: 5.4   La Biblia Reina-Valera. Antiguo Testamento y Nuevo Testamento. Lista de jefes (Antiguo Testamento): Génesis, Exodo, Levítico, Números, Deuteronomio, Josué, Jueces, Rut, I Samuel, II ...
        ⥯ 
    • Bible For Women.
    • iOS Apps: Bøger  Ved: PANDAS OF CARIBBEAN LIMITED
    • Gratis  
    • Lister: 0 + 0  Rangeringer: 0  Anmeldelser: 0
    • Point: 0 + 134,366 (4.9)  Version: 2.33.1   Bible for Women is a beautifully designed, free mobile application, conceived with the single purpose to inspire and nurture the faith of women across the globe. Rooted in the ...
        ⥯ 

Du vil måske også kunne lide

Søgeoperatorer, du kan bruge med AppAgg
Føj til AppAgg
AppAgg
Begynd nu – det er gratis.
Tilmelde
Log ind